Регульований циркуляційний насос GRUNDFOS MAGNA1 50-120 F 280 99221336
Регульований циркуляційний насос GRUNDFOS MAGNA1 50-120 F 280 99221336
Регульований циркуляційний насос GRUNDFOS MAGNA1 50-120 F 280 99221336
Регульований циркуляційний насос GRUNDFOS MAGNA1 50-120 F 280 99221336
Регульований циркуляційний насос GRUNDFOS MAGNA1 50-120 F 280 99221336
Регульований циркуляційний насос GRUNDFOS MAGNA1 50-120 F 280 99221336

Регульований циркуляційний насос GRUNDFOS MAGNA1 50-120 F 280 99221336

Циркуляційний насос з частотним керуванням для систем опалення GRUNDFOS MAGNA1 50-120 F 280 99221336 замовити-купити в інтернет-магазині AQUATO. Доставка в будь-яке місто України ☎

0161
ціна за запитом

Опис

Насос для циркуляції Magna1 50-120 Grundfos - насос з високою ефективністю роботи, який забезпечує надійну та економічну роботу в різних системах опалення, вентиляції та кондиціювання. Насос має ряд особливостей, які роблять його простим в установці, експлуатації та обслуговуванні

- інтегрований частотний перетворювач, який дозволяє автоматично адаптувати швидкість обертання насоса до потреб системи, що змінюються. Це знижує енергоспоживання насоса та збільшує його термін служби

- інтуїтивний інтерфейс з LED-дисплеєм, який показує поточні параметри роботи насоса, такі як тиск, витрата, температура та енергоефективність. Інтерфейс також дозволяє легко налаштовувати режими роботи насоса та проводити діагностику несправностей

- компактний та легкий дизайн, який спрощує його транспортування та монтаж. Насос може бути встановлений як горизонтально, так і вертикально залежно від умов місця встановлення. Насос також має вбудований термостатичний клапан, який захищає насос від перегріву за низької витрати

Режими роботи

  • Регулювання пропорційного тиску (PP1, PP2, PP3) - використовується в системах з великими втратами тиску в трубопроводі і в системах кондиціювання та охолодження повітря. Заводське налаштування PP2 - пропорційне регулювання із середнім значенням тиску
  • Регулювання постійного тиску (CP1, CP2, CP3) - використовується в системах з невеликими втратами тиску в трубопроводі (тепла підлога)
  • Регулювання за постійною характеристикою (I, II, III) – робота насоса з постійною частотою обертання двигуна незалежно від фактичної витрати системи. Мінімальну частоту I потрібно вибрати, якщо потрібна мінімальна витрата, для максимальної витрати слід вибрати режим максимальної характеристики ІІІ (наприклад, для гарячого водопостачання)

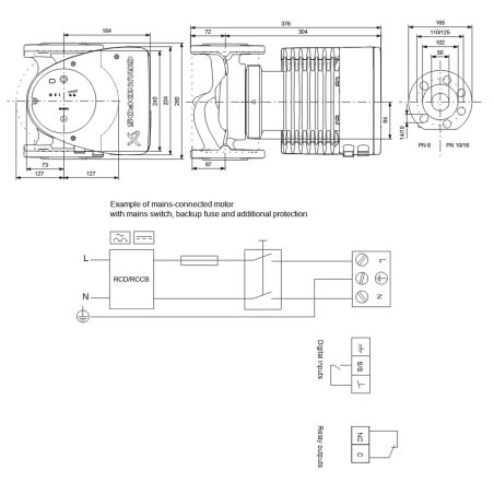
Технічні характеристики опалювального насоса Magna1 50-120 Grundfos

  • Найменування MAGNA1 50-120 F
  • Артикул 99221336
  • Номінальна витрата 19,8 м³/год
  • Номінальний напір 6,2 м
  • Максимальна витрата 32 м³/год
  • Максимальний напір 12 м
  • Модель C
  • Корпус насоса Чавун EN-GJL-250 ASTM A48-250B
  • Робоче колесо PES 30% GF
  • Температура довкілля 0 ... 40 °C
  • Максимальний робочий тиск 10 бар
  • Трубне приєднання DIN фланці
  • З'єднання труб DN 50
  • Допустимий тиск PN 6/10
  • Монтажна довжина 280 мм
  • Робоча рідина вода
  • Температура рідини -10...110 °C
  • Температура рідини, що перекачується 60 °C
  • Щільність 983,2 кг/м3
  • Потужність 20-533 Вт
  • Частота мережі живлення 50/60 Гц
  • Номінальна напруга 1 x 230 В
  • Максимальне споживання струму 0,22-2,37 A
  • Ступінь захисту (IEC 34-5) X4D
  • Клас ізоляції (IEC 85) F
  • Клас електроспоживання (EEI) 0,20
  • Маса нетто 18 кг
  • Маса брутто 19,9 кг
  • Об'єм постачання 0,046 м³
  • Гарантія 2 роки

Детальніше про товар

Діаметр приєднання
DN 50 (2')
Потужність, Вт
533
Напір максимальний, м
12
Напруга живлення, В
220
Продуктивність максимальна, м³/год
32
Матеріал корпусу
чавун
Тип з'єднання
фланцеве
Монтажне виконання
280 мм
Регулювання
частотне регулювання

Вкладення

Товар додано до порівняння